Кріплення з круглим капелюшком CARFAST 15824
Наші переваги
Ми працюємо більше
10 років в цій сфері
Тільки провідні
виробники Європи
Можливість
випробувати
інструмент в роботі
Власна мережа
сервісних центрів
Придбання продукції
з перших рук
Опис
Технічні характеристики
Відгуки (0)
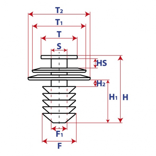
Кріплення з круглим капелюшком CARFAST 15824 використовується для кріплення обшивки та молдингу в автомобілях. Виготовляється данний вид кріплення з високоякісного пластику підвищеної міцності.
Кріплення обшивки, молдингу CARFAST 15824 призначене для таких марок та моделей машин:
Lexus (ES300; ES330; ES350; GS300; GS350; GS430; GS450H; GS460; IS250; IS350) - використовується для кріплення молдингу дверей.
Lexus (RX400H (2005 - 2008)) - використовується для кріплення обшивки дверей.
Lexus (RX270 (2009 - 2015); RX300 (2003 - 2009); RX330 (2003 - 2009); RX350 (2009 - 2015); RX350 (2003 - 2015); RX450H (2009 - 2015); RX450H (2008 - 2015)) - використовується для кріплення молдингу порогу.
Lexus (GS (2013 - 2018); GS F (2015 - 2018); GS250 (2011 - 2018); GS350 (2011 - 2018); GS450H (2011 - 2018); GX400 (2009 - 2018); GX460 (2009 - 2018); HS250H (2009 - 2018); IS F (2007 - 2014); IS250 (2005 - 2013); IS300 (2006 - 2013); IS350 (2005 - 2013); RX300 (1998 - 2003)) - використовується для кріплення накладок порогу.
Lexus (IS250 (2013 - 2018); IS300H (2013 - 2018); RC200T (2014 - 2018); RC300 (2014 - 2018); RC300H (2014 - 2018); RC350 (2014 - 2018)) - використовується для кріплення ущільнювача капоту.
Toyota (4Runner (2009 - 2018); Avensis (2003 - 2018); Camry (2001 - 2006); Corolla (1997 - 2006); Corolla Verso (2001 - 2009); Hiace (1989 - 2018); Highlander (2000 - 2007); RAV4 (2006 - 2013); Yaris (1999 - 2011)) - використовується для кріплення молдингу дверей.
Toyota (Celica (1999 - 2005); Corolla (2007 - 2015); Harrier (2003 - 2018); IQ (2010 - 2018); Isis (2004 - 2018); Yaris (1999 - 2005)) - використовується для кріплення молдингу порогу.
Toyota (4Runner (2009 - 2018); Camry (1994 - 1998); Camry (2012 - 2018); Carina (1993 - 1998); Celica (1993 - 1997); Corona (1993 - 1998); Harrier (1997 - 2012); Highlander (2000 - 2007); Land Cruiser; Prado (2009 - 2018); Mark II (2000 - 2007); Vista (1994 - 1998)) - використовується для кріплення накладок порогу.
Toyota (Crown (2008 - 2015)) - використовується для кріплення номерного знаку на багажнику.
Toyota (Mark II (2000 - 2007); Vista (1998 - 2003)) - використовується для кріплення облицювання багажнику.
Toyota (Echo (1999 - 2006); Yaris (1999 - 2005)) - використовується для кріплення молдингу крила.
Scion (xB (2007 - 2015)) - використовується для кріплення молдингу порогу.
Daihatsu (багато моделей) - використовується для кріплення молдингу дверей.
Тип
два круглих капелюшка
Місце встановлення
багажник, двері, крило, поріг
Елемент
молдинг, накладки порогу, облицювання, обшивка, ущільнювач
Марка автомобіля
Daihatsu, Lexus, Scion, Toyota